
欢迎您的参与
您已提交成功!
现在,以3D打印、AI技术为代表的技术升级备受瞩目。但是,汽车行业生产一线却依旧存在着一些依靠“老手艺”而运转的部门。
ToyotaTimes将聚焦这些用其自身精湛技艺支撑起汽车行业的“匠人”们,并开启一个直指日本制造业精髓的新特辑“支撑日本汽车制造业的匠人们”。
本期将带来前篇,为您介绍“材料调查匠人”高野光雄——他通过解读从金属、树脂到陶瓷等各类材料的断面组织结构,为设计研发提供关键支持。

第23回 从材料微观组织中探寻真相的“材料调查匠人”高野光雄
丰田汽车 先进技术研发公司 移动出行材料技术部 直属部门 GX(高级专家)匠
在位于爱知县丰田市丰田汽车总公司技术5号馆的材料分析实验室内,高野光雄正将一块金属断面轻轻贴向旋转的毛毡抛光轮。

抛光轮表面涂覆着用水调和的氧化铝微粒子液,粒子的大小仅为0.02微米(0.00002毫米)。正是借助这种微细的粒子,金属断面得以被逐渐打磨至镜面般光亮,这种工序称为“琢磨”。

高野
这步操作基本上,只是用手扶着材料而已。
正如高野所言,他缓缓转动材料,仅凭金属块自身重量接触抛光轮。因为如果手上用力,旋转的抛光轮表面纹路便会残留在材料之上。
高野
关键是要代入材料的视角去思考:此刻它正处于何种状态?受力点分布在何处?我一边在脑海中构想看不见的内部结构,一边用手轻轻托扶。
几分钟后,高野将材料从抛光轮上移开。金属块的断面已呈现出镜面般的光泽。这种镜面处理,正是用显微镜观察材料组织结构时必需的关键步骤。
这是材料调查工作的一环。通过切割损坏的零部件,将断面打磨至如镜面般光亮,再借助显微镜观察组织结构。由此推断破损成因,并向设计部门提出改善方案。这项看似平淡的工序,实则是“制造更好的汽车”不可或缺的核心技能。
高野所属的移动出行材料技术部,隶属于先进技术研发公司。该部门规模庞大,涵盖工程师与技能职员工数百名,负责研发与应用汽车所需的各类材料,包括金属材料、高分子材料、催化剂材料以及电池材料等。而在整个部门中,高野是唯一被授予“匠”这一称号的员工。
材料调查的职责涵盖广泛:既要查明零部件损坏的根本原因,并向设计部门提出改善方案,也需确认新材料是否具备符合设计的组织结构;既要评估制造工艺变更带来的材质变化,也承担着精确测定用于数字解析的材料物性参数、建立可靠“数值品质”体系。这些,都是材料调查匠人所负责的工作内容。
材料调查的工序主要分为五道:切断、研磨、琢磨、蚀刻,以及基于光学显微技术的组织分析。
当汽车的零部件发生损坏时,仅凭“坏了”这一事实,无法推动任何改善工作。关键在于探究损坏的根源:是材料存在缺陷?是设计不合理?还是制造工艺有问题?唯有厘清损坏背后的真实原因,才能由此出发,打造出真正持久可靠的零部件。
以汽车运动为起点,制造更好的汽车——在丰田章男会长提出的这一方针指引下,丰田始终在赛事一线将零部件推向极限,并从每一个损坏的部件中持续汲取经验。若产品投放后,在实际使用阶段出现故障,便深入彻查其根源;若研发新材料,则严谨验证其组织结构是否符合设计预期。这一切,都离不开材料调查这项核心技能。

高野尤为精通的,是复合材料抛光技艺。面对由异质材料组合而成的部件——诸如铝基体中嵌有碳纤维,或铁与陶瓷相邻共构的断面——他能够将其打磨得如同镜面般平整光亮。
然而,当硬度各异的材料并存于同一断面时,较硬的部分会相对凸起,较软的部分则易凹陷下沉,这被称为“浮雕现象”。即便凹凸差仅有数微米(1微米=0.001毫米),也足以导致显微镜无法准确对焦,从而影响观察。
高野通过纯手工操作,逐步消除这类高低差。在磨削阶段,他以0.01毫米为精度单位进行控制,在琢磨阶段,则更进一步实施微米级的精细调整。
上图为用于切割待检材料的油石切割机。
切割了一块圆柱形金属作为演示。
第一道工序是切割:使用旋转油石,即“磨床”,来切割出需要检查的部分。如果直接切割并产生火花,摩擦产生的热量会改变金属的性质。因此,要一边用水冷却,一边精细地调整将油石压在材料上的力度。
上图为正在进行切割作业演示的薮谷刚史SX。他从2025年1月开始在高野手下学习。
高野让弟子薮谷刚史SX(资深专家)在一旁进行切割演示,然后继续讲解。薮谷握住磨床的手柄,将油石对准材料。向右转动手柄,油石就会切入材料;向左转动,则会离开。他重复着这个操作,一点一点地推进切割。这种手法被称为“渐进式进给法”。
油石在使用过程中,刀刃部分会受到磨损,锋利度下降。此外,如果持续单向加压,金属粉末会固化并附着在油石上。因此,通过“渐进式进给法”对油石施加冲击,使其一点点破碎,从而在切割过程中始终保持露出新的刀刃,这被称为“油石的自生作用”。
机器虽然也有自动控制油石的功能,但高野并不使用。
高野
为提高工作效率,我们需要明确待检材料的最小必要检测范围,而在切割中哪怕出现一点失误就前功尽弃了。所以,我不交给机器,而是通过手工作业完成。
当然,员工中也有使用自动控制的人,但高野坚信的是自己双手的感觉。
被切割下来的金属片,切割面上残留着磨床造成的划痕。
为了使切割出的金属片便于进行切削和琢磨作业,会在其周围包裹上树脂。
切割完成后,为了方便接下来的磨削和琢磨作业,会使用专用的机器将材料嵌入树脂中。由于要检查的材料极其微小,实际上是用手按住树脂块来进行磨削和琢磨的。
在研磨工序中,会依次使用180号、500号、1000号等磨粒逐渐变细的砂纸进行打磨。这时,高野说出了他经常向部下们反复强调的话。
高野
我平时总对他们说,要对正在加工的材料抱有“爱意”。所谓的爱意,就像刚才所说的,就是站在材料的角度去思考。现在这个材料处于什么状态?哪里在受力?怎么打磨才不会变形?重要的是,用指尖感受肉眼看不见的部分,边想象边推进作业。
研磨结束后,就进入开头提到的琢磨工序:先将氧化铝微粉与水配制成抛光液,再用毛毡抛光轮蘸取并涂于工件表面。微粒的大小从0.5微米开始,最终要细化到0.02微米。
琢磨工序。开始时让抛光轮旋转,但在最终精加工时会停止旋转,通过手工作业来完成。
将断面这样加工成镜面后,用显微镜观察。但是,还看不到组织。金属的晶体结构仅仅经过打磨是看不到的。这时所需要的,就是蚀刻技能。
上图为高野经过琢磨加工成镜面的金属材料,接下来将进入蚀刻作业。
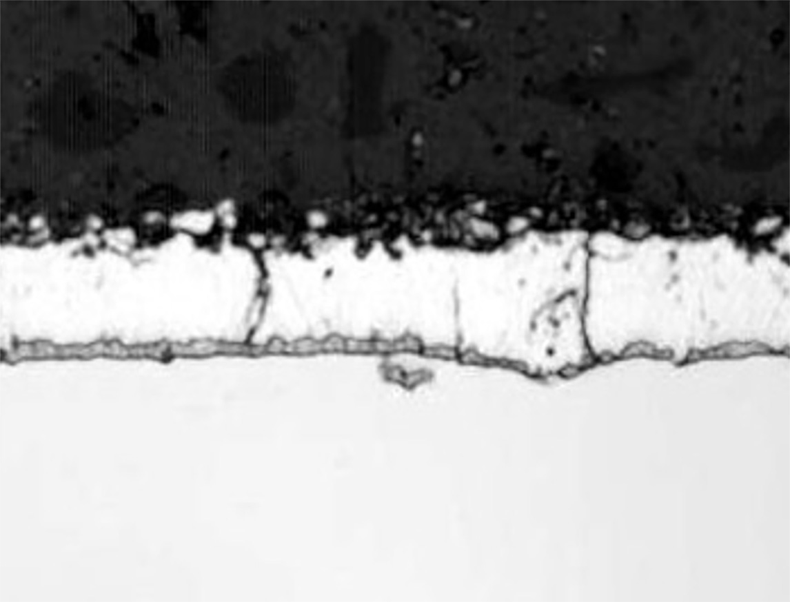
蚀刻是一种将材料浸入酸或碱的溶液中,通过化学反应腐蚀其表面的技术。金属晶体之间存在边界。晶粒与晶粒之间的边界称为“晶界”。这个晶界容易积聚杂质,也容易被酸溶解。
如果选择性地只溶解晶界,在显微镜下观察时就会呈现为线状。凹陷的部分会产生阴影,看起来发黑。这样,金属组织才首次显现出来。
用光学显微镜放大100倍至400倍来研究金属组织。
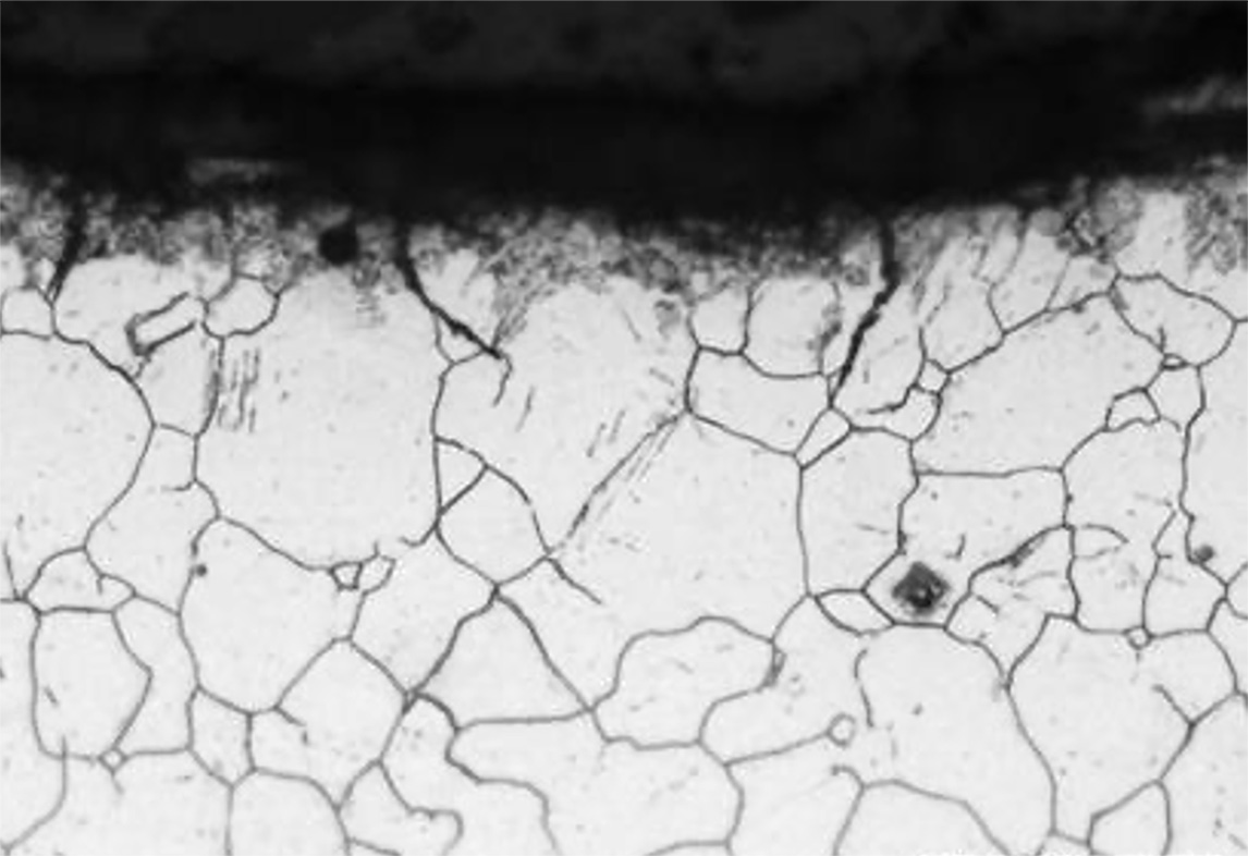
高野以变速器齿轮的断面为例进行了说明。齿轮经过了使其表面硬化的热处理,这是一种被称为“渗碳淬火”的工艺。通过让碳渗入表层后进行淬火,表层会形成一种名为“高碳马氏体”的非常坚硬的组织。
要确认这种高碳马氏体组织的结构,需要使用一种叫作硝酸酒精溶液的蚀刻液,它是将3%的硝酸溶于酒精制成的。将齿轮断面浸入这种液体,高碳马氏体组织就会呈现出叶子般的花纹。
上图为使用硝酸酒精溶液这一常规蚀刻液时的显微镜照片(表层显现出细微珠光体,内部显现出高碳马氏体)。
然而,仅此还不够。要评估高碳马氏体组织的质量,需要测量形成它的原始晶粒的大小(晶粒尺寸),这被称为原奥氏体晶界。这个晶粒的大小至关重要,晶粒越细小,强度越高,越不易损坏。
但是,如果只使用常规的蚀刻液,这个晶界无法清晰地显现。为此,高野拿出了自己原创的蚀刻液。这是不断改变酸的种类、浓度、混合比例,反复试错取得的成果。
高野
晶界能如此清晰地单独显现,归功于高野独创的蚀刻液。
高野展示的显微镜照片上,黑白对比分明的晶界清晰可见。晶体的边界如同地图上的等高线般浮现出来。由此,可以精确测量晶粒的大小。
高野独创的蚀刻液,让晶界显现至可测量水平
这项独创的蚀刻技术,也应用于其他材料。例如合金化镀锌钢板。这是一种用于汽车车身的钢板,为防锈而进行了镀锌处理。在丰田,不仅是镀上锌层,还要让锌层与铁层形成合金。
铁与锌混合,形成被称为“γ相层”的合金层。这一层的存在,使得镀锌层能牢固地附着于钢板。然而,如果这层合金太厚,因其本身是硬质层,在冲压成形弯曲时就可能开裂。因此需要将其厚度控制在合适范围内。
蚀刻处理前的合金化镀锌钢板显微镜照片
蚀刻让合金层“γ相层”显现
高野还研发了能选择性地、仅显现这一层的蚀刻液。将钢板断面浸入该溶液,锌层与铁层之间便会出现清晰的合金层。正是这些不断积累的评价技术,确保了丰田的品质。
高野光雄于1962年出生在茨城县。他自幼喜爱汽车,高三一拿到驾照,就立刻入手了一辆二手丰田 CELICA Liftback运动车型。
高野称其被造型所吸引的丰田 CELICA Liftback。1973年加入CELICA产品线,后来发展为CELICA XX,继而演变为SUPRA
顺带一提,他的高中并非丰田工业学园,而是当地的茨城县水户工业高中。该校当时设有名为“金属工业科”的少见学科。据说当时全国仅有大约5所学校设有此科。
高野
在这个学科,我掌握了锻造、铸造、机械加工、焊接等金属材料的基本技能。
制造金属、切割、研磨、用显微镜观察组织。实际上,我就是在这里学会了材料调查的基础。只是当时并不明白学这些的意义。是在进入丰田之后,才意识到这些就是自己的工作内容。
1981年,高野进入丰田汽车公司,被分配到第5技术部试验科。据说当时那是个不足百人的小部门。
材料技术部迎来水户工业高中金属工业科的毕业生尚属首次,前辈们对他寄予了厚望。
高野
有很多前辈会说:既然你是水户工业高中金属工业科出身,能做到这些就是理所当然。
期望变成了压力,压力又转化为了逆反心。

高野
被人说成“理所当然”,我就偏要证明给他们看。时光流逝,不知不觉间,我已掌握了这些技能。
高野开始沉醉于打磨技能。20世纪90年代前半,高野参与了CVT(无级变速器)钢带的研发。那正是丰田试图研发自有CVT的时期。
高野与工程师轮班,投身于利用气态氨对名为“钢环”的金属钢带进行特殊热处理的研发试验。
高野
那时真是连睡觉的时间都没有。试验做得越多,就越能看清各种问题。“下次这样试试”,在试错中前进。行动总能带来结果。这过程非常有趣。
1997年,高野迎来了新的挑战:锂离子电池的研发。作为金属材料专家,他被派往电池研发团队。
高野
既然要做,就打算做到极致,于是我从头开始学习了锂离子相关知识。
该研发始于手工制作纽扣电池尺寸的小型电池。当时的成果,被称为“版本0”的电池,现作为怠速启停用辅助蓄电池,搭载于VITZ(现YARiS)。
这段经历极大地拓宽了高野的技能领域。他逐渐掌握了处理各种材料——不仅是金属,还包括树脂、陶瓷、催化剂等——所必需的知识。
下篇将为您讲述高野获得“匠人”称号的历程、作为“解析专家”支撑设计的一线实际工作,以及面向下一代的技能传承。


